คำแนะนำการซ่อมในอาการเสีย Inverter notebook ที่โน๊ตบุ๊คตัวเก่งของเรา เปิดติดมีภาพ แต่ภาพมันเห็นเป็นลางๆ ดำๆ ซึ่งเราต่อออกจากจอมอนิเตอร์ภายนอกทาง Port DB-15 ได้ภาพตามปรกติ? เพียงแต่ในจอโน๊ตบุ๊คของเรามันมืดไปนั่นเองครับ ในลักษณะนี้ผมได้กล่าวไว้ในบทความก่อนหน้านี้ถึงแนวทางความเป็นไปได้ต่างๆ แล้วนะครับ แต่ในครั้งนี้ เราจะมาพูดถึงวิธีการวิเคราะห์อาการเสียนี้ โดยการเข้าไปตรวจซ่อมอุปกรณ์ชิ้นหนึ่งก็คือ Inverter กันครับ

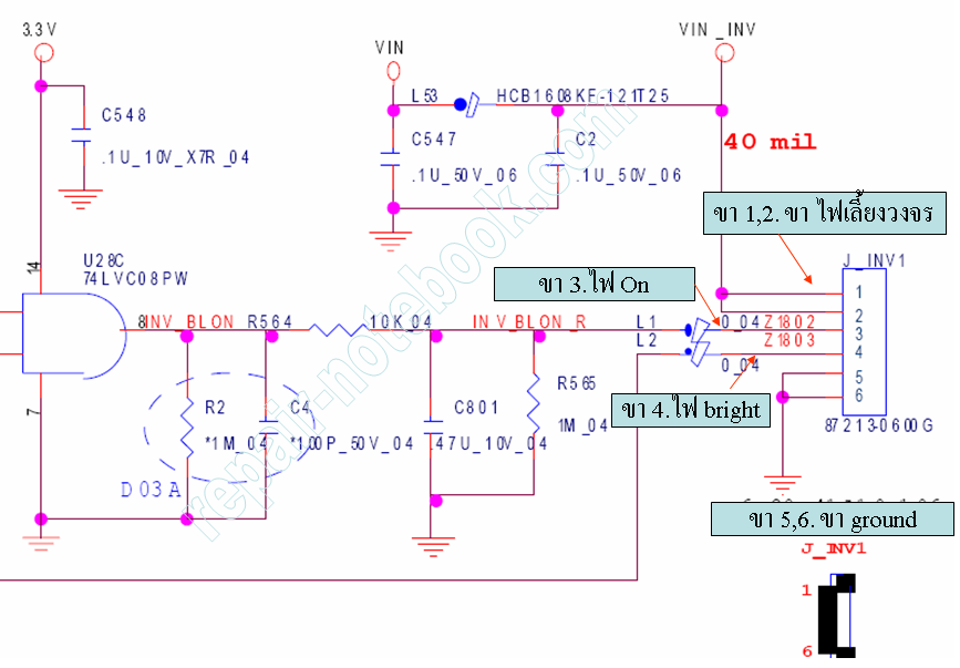
รูป Conneter ด้านทางเข้าบนตัว Inverter
จากรูปที่ผมนำเสนอนั้น ให้เพื่อนๆถือเป็นตัวอย่างหนึ่งนะครับสำหรับเป็นแนวทางในการตรวจซ่อม เพราะที่เราเห็นๆกันนั้น ในการทำงานของอินเวอร์ตัวทุกตัวนั้น? ไม่ว่าจะเป็นของจอ LCD จอโน๊ตบุ๊ค (notebook) ต่างก็ใช้หลักการเดียวกันทั้งสิ้นดังนี้
มีไฟเลี้ยงวงจรหลัก เท่ากับแหล่งจ่ายของเครื่อง เช่น 15,18,19 โวลท์
มีไฟสำหรับไปทำให้อินเวอร์นั้นๆ เริ่มทำงานเรามันว่า On
มีไฟสำหรับไปทำให้อินเวอร์นั้นสามารถปรับเร่งลดแสงสว่างได้ เราเรียกว่า Bright ครับ
ส่วนขาที่เหลือสำหรับทั่วๆไป จะต้องเป็นขา ground ของวงจรก่อนครับ
ขาที่เหลืออื่นๆ (อาจไม่เหมือน connetter ตามรูปนี้ ก็อาจจะเป็นรุ่นที่อินเวอร์นั้นมี หลอด LED แสดงสถานะาการทำงานของส่วนต่างๆ ฝังมาไว้ด้วย เพื่อเวลาที่ประกอบเข้ากับจอโน๊ตบุ๊คแล้ว จะได้มีไฟสถานะแสดงที่บริเวณด้านล่างของตัวกรอบจอโน๊ตบุ๊คนั้นๆ? อันนี้ก็เป็นอีกรูปแบบหนึ่งครับ)
**ไม่ว่าจะมีขากีขาก็ตามครับ? เพื่อนๆอย่าไปให้ความสนใจกับมันมากนัก? เอาเป็นว่า เราจะหาขาสำคัญต่างๆ ซึ่งได้แก่ ขาขั้วไฟหลักของวงจร? , ขากราวด์ของวงจร? , ขาตำแหน่ง On , และขาตำแหน่ง Bright ได้กันอย่างไร? เรามาดูวิธีการในแบบของ repair-notebook กันเลยนะครับ
รูปวงจรของ Inveter

การตรวจเช็ค Inveter
ก่อนการตรวจซ่อม ให้เพื่อนๆทำการแกะฝาครอบจอด้านด้านออกให้หมดก่อน? แล้วดึง inverter ออกมาวางไว้เพื่อความสะดวกในการตรวจวัดไฟ? แต่ยังคงต่อสายทางเข้าของอินเวอร์เตอร์ และสาย ของหลอดภาพ CCFL ไว้ให้พร้อมด้วยนะครับ
การตรวจเช็คในวงจร
ให้เพื่อนๆทำการเปิดเครื่องโน๊ตบุ๊คให้ทำงานตามปรกติก่อนครับ
เพื่อนๆจะเห็นภาพบนจอภาพเป็นพื้นสีดำ? ไม่มีแสงสว่าง? อาจมีรูปโลโก้ windows หรืออาจเป็นหน้าจอของ windows? อยู่ก็ได้นะครับ? ไม่ต้องสนใจในรายละเอียดตรงนั้น
วัดไฟเลี้ยงหลักของวงจร เช่น 15,18 V.
โดยการนำมิเตอร์บิดไปที่ตำแหน่ง 50 V.DC? นำสายวัดสีดำจับที่ตำแหน่ง ground ของตัวอุปกรณ์นั้น เช่นที่ตำแหน่งทองแดงของรูสกรู เป็นต้น? จากนั้น นำสายสีแดงแตะวัดไฟไปที่ตำแหน่ง VCC+ ตามรูปที่ 1? ควรจะได้แรงไฟที่อ่านได้ เป็นแรงไฟเดียวกับแรงไฟของแหล่งจ่ายหลัก เช่น 15,18 V.เป็นต้นครับ? วัดก่อนและหลังฟิวส์ เปรียบเทียบกัน ครับ
ก่อนเข้าฟิวส์ มีแรงไฟ? แสดงว่า ไฟแหล่งจ่ายมาเลี้ยงแล้ว และต้องผ่าน ฟิวส์ไปได้? แ
แต่ถ้าวัดไฟตรงตำแหน่งนี้ หลังจากผ่านฟิวส์วงจรไปแล้ว ไม่มีแรงไฟ? ก็แสดงว่า ฟิวส์ขาด (นั่นหมายถึงว่า เพื่อนๆ วัดเป็นฟิวส์นะ? ไม่ใช่ C)
วัดไฟสำหรับ สั่งให้ Inveter ทำงาน (ผมเรียกมันว่า ไฟ on ครับ)
โดยการนำมิเตอร์บิดไปที่ตำแหน่ง 50 V.DC? นำสายวัดสีดำจับที่ตำแหน่ง ground ของตัวอุปกรณ์นั้น เช่นที่ตำแหน่งทองแดงของรูสกรู เป็นต้น? จากนั้น นำสายสีแดงแตะวัดไฟไปที่ตำแหน่ง VCC+ ตามรูปที่ 1 ควรได้แรงไฟที่อ่านได้ เป็นแรงไฟประมาณ 3.3 V.DC ครับ
มีไฟเลี้ยง? มี ไฟ On แต่ Inverter ยังไม่ทำงาน CCFL จอภาพยังมืดเหมือนเดิม (อาจเป็นได้ว่า ไฟ Bright ยังไม่มีนะครับ)
วัดไฟสำหรับ สั่งให้ Inverter ปรับเร่งลดแสงสว่างของหลอด CCFL ได้ (ผมเรียกมันว่า ไฟ Bright นะครับ)
โดยการนำมิเตอร์บิดไปที่ตำแหน่ง 50 V.DC? นำสายวัดสีดำจับที่ตำแหน่ง ground ของตัวอุปกรณ์นั้น เช่นที่ตำแหน่งทองแดงของรูสกรู เป็นต้น? จากนั้น นำสายสีแดงแตะวัดไฟไปที่ตำแหน่ง VCC+ ตามรูปที่ 1 ควรได้แรงไฟที่อ่านได้ เป็นแรงไฟประมาณ 3.3 V.DC ครับ
ข้อสันนิษฐานในการที่ยังไม่มีแสง
ไฟแหล่งจ่ายไม่มีเลี้ยงวงจร Inverter
ไฟ On ยังไม่มีมา
ไฟ Bright มีค่าเป็น Low (ศูนย์โวลท์)
| หน้าที่เข้าชม | 312,643 ครั้ง |
| ผู้ชมทั้งหมด | 161,287 ครั้ง |
| เปิดร้าน | 14 ต.ค. 2555 |
| ร้านค้าอัพเดท | 4 ต.ค. 2568 |